• |  产品中心
  • 海源环保 > 产品展示 > 静电除尘器 >
  • SZD组合电收尘器

  •  技术资讯 Telephone counseling
     086-0317-5669939
  •  我要订购 Ordering
     086-0317-5669939
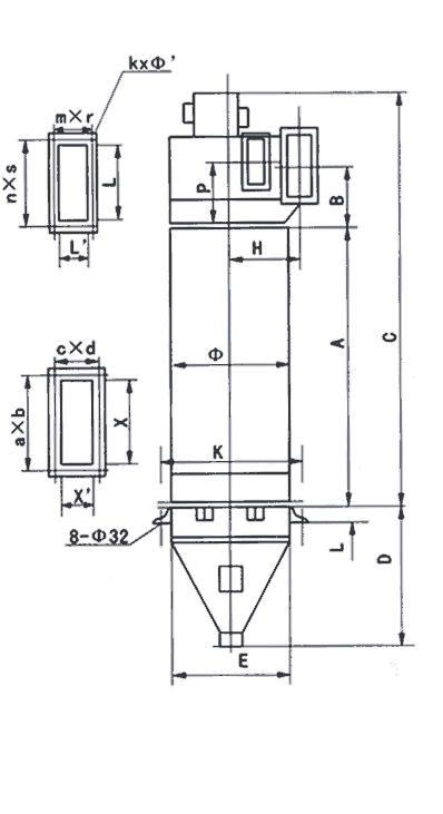
  •  产品详细参数:  点击:

    SZD型组合电收尘器将电旋风、电抑制、电凝聚等三种复式收尘机理组合为一全,属世界首创,具国际先进水平。
    SZD型组合电收尘器适用于建材冶金、化工、电力等行业、治理污染、回收物料,用于水泥磨收尘。
    型号说明
    SZD/4-1600型
    S:设备类属收尘
    Z:组合电收尘
    4:并联台数
    1600:简体直径mm

    技术性能  
      规格 SZD-1370 SZD/2-1370 SZD/4-1370 SZD/5-1370 ZD-1600 BZD/2-1600 BZD/3-1600 BZD/5-1600
    型号
    筒径×台数 1370×1 1370×2 1370×4 1370×5 1600×1 1600×2 1600×3 1600×5
    主电场断面积(m2) 1 2 4 5 1.5 3 4.5 7.5
    处理风量(m3/h) 3000-4000 6000-8000 12000-16000 24000-32000 4000-5500 8000-10500 12000-16500 30000-44000
    电场风速(m/s) 电旋风 1.9-2.8 1.9-2.8 1.9-2.8 1.9-2.8 2.4-3.4 2.2-3.3 2.4-3.6 2.36-3.2
    电凝聚 0.84-1.2 0.84-1.2 0.84-1.2 0.84-1.2 0.8-1.15 0.74-1.1 0.8-1.2 0.8-1.2
    允许含尘浓度(g/Nm3) 100
    除尘效率(%) 99.9
    允许烟气温度(℃) 200大于200℃特殊定货
    允许负压(mmH2O) 200
    压力损失(mmH2O) 100
    振打方式 电机振动式
    重量(kg) 3150 6374 9550 16700 3308 6615 9870 17690
    电收尘器
    电收尘器1 电收尘器2
     相关新闻
     推荐产品